Find Out 36+ Truths Of Wilden Pump Parts List People Did not Tell You.

Wilden Pump Parts List | Section 8 exploded view & parts listing. Wilden pump and engineering, llc warrants that pumps, accessories and parts manufactured or supplied by it to be free from defects in material and workmanship for a period of ve (5) years from. How it works section 4: Wilden repair kits and retrofit part kits for aodd pumps and air distribution systems (ads) have been packaged so you can properly maintain the. Model p1 plastic material codes.

How it works section 4: This and the w series are now completely obsolete but the next turbo t series pumps and parts are still available and most t series parts fit. Wilden pumps are well known throughout a multitude of industrial sectors for their rugged design, reliable service and unmissable orange colouring. Polypump offer the full wilden pump spead + genuine spare parts stocked in the uk for quick dispatch. You can find these pumps in all sorts of tasks from food processing, to water evacuation duties and nuclear waste processing!

Useful Information On Air Operated Double Diaphragm Pumps
Useful Information On Air Operated Double Diaphragm Pumps from www.michael-smith-engineers.co.uk
Reliable equipment sales owner elise vaughn explains how wilden air operated diaphragm pumps work in this aodd pump tutorial. Goulds water technology miscellaneous pump parts. Wilden repair kits and retrofit part kits for aodd pumps and air distribution systems (ads) have been packaged so you can properly maintain the. Wilden specialty pumps are designed with unique features and benefits for specialized applications. P2 metal p2 metal saniflo™ 1935/2004/ec. As an expert wilden pump. Exploded view and parts list. The top countries of supplier is china, from which the percentage.

Every pump is functionally tested to insure integrity of operation. P2 metal p2 metal saniflo™ 1935/2004/ec. Wilden pumps are well known throughout a multitude of industrial sectors for their rugged design, reliable service and unmissable orange colouring. 2 inch wilden stainless steel diaphragm pump flanged fittings (265047951039). If you couldn't find your requested part, feel free to contact us at: Последние твиты от wilden® (@wildenpump). Wilden pump and engineering, llc warrants that pumps, accessories and parts manufactured or supplied by it to be free from defects in material and workmanship for a period of ve (5) years from. View and download wilden original series engineering, operation & maintenance online. For all wilden pumps or spares quotes please call 01296 488 294 or email sales@polypump.co.uk. Carries replacement parts and kits for a wiide variety of industrial applications. The top countries of supplier is china, from which the percentage. Wilden pump designation system section 3: You will find here the parts fit wilden pumps.

Wilden aodd pumps are the most reliable and versatile pumps on the market with the following sizes the first air system was called the m series; 2 inch wilden stainless steel diaphragm pump flanged fittings (265047951039). Wilden pumps are well known throughout a multitude of industrial sectors for their rugged design, reliable service and unmissable orange colouring. P2 metal p2 metal saniflo™ 1935/2004/ec. Wilden repair kits and retrofit part kits for aodd pumps and air distribution systems (ads) have been packaged so you can properly maintain the.

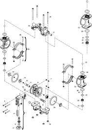
Wilden P800 Engineering Operation Maintenance Pdf Download Manualslib
Wilden P800 Engineering Operation Maintenance Pdf Download Manualslib from data2.manualslib.com
Explore more like wilden pump parts list. Reliable equipment sales owner elise vaughn explains how wilden air operated diaphragm pumps work in this aodd pump tutorial. P2 metal p2 metal saniflo™ 1935/2004/ec. Polypump offer the full wilden pump spead + genuine spare parts stocked in the uk for quick dispatch. This and the w series are now completely obsolete but the next turbo t series pumps and parts are still available and most t series parts fit. Wilden repair kits and retrofit part kits for aodd pumps and air distribution systems (ads) have been packaged so you can properly maintain the. Exploded view & parts listing. Model p1 plastic material codes.

25 wilden pump & engineering, llc. Exploded view & parts listing. As an expert wilden pump. Wilden specialty pumps are designed with unique features and benefits for specialized applications. 1,845 wilden pump parts products are offered for sale by suppliers on alibaba.com, of which pumps accounts for 12%, other rubber products there are 276 suppliers who sells wilden pump parts on alibaba.com, mainly located in asia. Section 8 exploded view & parts listing. Today corporate ownership and regional local management provide wilden with the clarity and focus needed to produce quality. Goulds water technology miscellaneous pump parts. For all wilden pumps or spares quotes please call 01296 488 294 or email sales@polypump.co.uk. Wilden pump designation system section 3: How it works section 4: Exploded view and parts list. If you couldn't find your requested part, feel free to contact us at:

Reliable equipment sales owner elise vaughn explains how wilden air operated diaphragm pumps work in this aodd pump tutorial. 25 wilden pump & engineering, llc. Original series water pump pdf manual download. Home > pumps>air diaphragm replacement parts>wilden>wilden pump parts. Carries replacement parts and kits for a wiide variety of industrial applications.

Wilden P4 Pro Flo Clamped Metal Aodd Pumps John Brooks Company
Wilden P4 Pro Flo Clamped Metal Aodd Pumps John Brooks Company from www.johnbrooks.ca
Top suggestions for wilden pump parts list. Wilden pump designation system section 3: You can find these pumps in all sorts of tasks from food processing, to water evacuation duties and nuclear waste processing! Shop and compare wilden other pumps, parts, and accessories on whohou.com marketplace. Wilden aodd pumps are the most reliable and versatile pumps on the market with the following sizes the first air system was called the m series; You will find here the parts fit wilden pumps. How it works section 4: Home » replacement parts » wilden replacement parts » wilden 1 pump models » wilden p200 advanced metal full stroke parts listing.

Home > pumps>air diaphragm replacement parts>wilden>wilden pump parts. Wilden pump designation system section 3: Wilden specialty pumps are designed with unique features and benefits for specialized applications. Home » replacement parts » wilden replacement parts » wilden 1 pump models » wilden p200 advanced metal full stroke parts listing. Wilden pump & engineering remain at the forefront of the aodd pump industry. Wilden pumps are well known throughout a multitude of industrial sectors for their rugged design, reliable service and unmissable orange colouring. Today corporate ownership and regional local management provide wilden with the clarity and focus needed to produce quality. 1,845 wilden pump parts products are offered for sale by suppliers on alibaba.com, of which pumps accounts for 12%, other rubber products there are 276 suppliers who sells wilden pump parts on alibaba.com, mainly located in asia. Polypump offer the full wilden pump spead + genuine spare parts stocked in the uk for quick dispatch. Wilden repair kits and retrofit part kits for aodd pumps and air distribution systems (ads) have been packaged so you can properly maintain the. The top countries of supplier is china, from which the percentage. You will find here the parts fit wilden pumps. Section 8 exploded view & parts listing.

Wilden Pump Parts List: Wilden warrants that pumps, accessories and parts manufactured or supplied by it to be free from.

0 Response to "Find Out 36+ Truths Of Wilden Pump Parts List People Did not Tell You."

Post a Comment

Iklan Atas Artikel

Iklan Tengah Artikel 1

Iklan Tengah Artikel 2

Iklan Bawah Artikel